- от 2 до 12 дискретных входов
- от 1 до 4 реле
- опции связи (RS-485, Ethernet)
- монтаж на DIN-рейку


|
Название модуля: 8DI |
8 сухих контактов цифрового входа (DI) для мониторинга внешних контактов и получения импульсов счётчиков энергии, воды и газа
Программируемое время «дребезга» контакта; время сканирования - 1 мс.
Внутренний источник питания: 24 В постоянного напряжения.
Время сканирования: 1 мс.
Сечение провода до: 14 AWG (1,5 мм2)

|
Название модуля: 4DI+2RO (DIOR/DIOS)
|
Электромеханическое реле
2 реле 5 A / 250 V AC; 5 A / 30 V DC; один полюс, одно направление, НО контакты (SPST Form A)
Гальваническая изоляция:
Между контактами и катушкой: 3000 V переменного напряжения в течение 1 мин.;
Между разомкнутыми контактами: 750 V переменного напряжения. Время срабатывания: максимально 10 мс.
Время отпускания: максимально 5 мс.
Сечение провода до: 14 AWG (1,5 мм2)
Электронное реле
2 реле 0,15 A / 250 V ACDC MAX, один полюс, одно направление, НО контакты (SPST Form A)
Гальваническая изоляция: 3750 V переменного напряжения, в течение 1 мин.
Время срабатывания: максимально 1 мс.
Время отпускания: максимально 0,25 мс.
Сечение провода до: 14 AWG (1,5 мм2)
Дискретные входы
4 дискретных входа (сухой контакт)
Внутренний источник питания: 24 V постоянного напряжения.
Время сканирования: 1 мс.
Сечение провода до: 14 AWG (1,5 мм2)


Схема подключения релейных выходов модуля DIOR/DIOS

Схема подключения дискретных входов модуля DIOR/DIOS
|
Название модуля: 12DIOR/DIOS. 12 DI + 4RO + коммуникационный порт (Ethernet или RS-485) или без него
|
Электромеханическое реле
4 реле 5 A / 250 V AC; 5 A / 30 V DC один полюс, одно направление, НО контакты (SPST Form A)
Гальваническая изоляция:
Между контактами и катушкой: 3000 V переменного напряжения в течение 1 мин.;
Между разомкнутыми контактами: 750 V переменного напряжения.
Время срабатывания: максимально 10 мс.
Время отпускания: максимально 5 мс.
Сечение провода до: 14 AWG (1,5 мм2)
Электронное реле
4 реле 0,02 A / 1500 V АС/DC MAX; один полюс, одно направление, НО контакты (SPST Form A)
Гальваническая изоляция:
Между контактами и катушкой: 5000 V переменного напряжения в течение 1 мин.;
Между разомкнутыми контактами: 750 V переменного напряжения.
Время срабатывания: максимально 1 мс.
Время отпускания: максимально 0,2 мс.
Сечение провода до: 14 AWG (1,5 мм2)
Дискретные входы (сухой контакт, 24 В DC)
12 дискретных входов (сухой контакт).
Время сканирования: 1 мс.
Коннектор (3 шт.): 5 контактов
Размер кабеля: до 1,5 мм2
Внутренний источник питания: 24 V DC.
Изоляция: 2500 V AC 1 мин.
Дискретные входы (250V DC)
12 дискретных входов (номинальное напряжение 220 В DC, максимально 250 В).
Время сканирования: 1 мс.
Коннектор (3 шт.): 5 контактов
Размер кабеля: до 1,5 мм2
Изоляция: 2500 В AC 1 мин.
Коммуникационный порт (опция)
Порт Ethernet (опция)
Тип разъёма: RJ45
Поддерживаемые протоколы: Modbus/TCP (Port 502), DNP3/TCP (Port 20000).
МЭК 60870-5-104
Число одновременных подключений: 4 (2 Modbus/TCP + 2 DNP3/TCP).
Порт RS-232/422/485 (опция)
RS-232/422/485 оптически изолированный порт
Изоляция: 3000 В AC 1 мин.
Скорость передачи данных: до 115,2 кбит/с.
Протоколы: Modbus RTU, МЭК 60870-5-101, DNP3, и ASCII




|
Название модуля: 4AO |
4 оптически изолированных аналоговых выхода с внутренним источником питания:
AO1 – с номинальным током ±1 мА
AO2 – с номинальным током 0-20 мА
AO3 – с номинальным током 0-1 мА
AO4 – с номинальным током 4-20 мА
AO5 – с номинальным током 0-3 мА
AO6 – с номинальным током ±3 мА
AO7 – с номинальным током 0-5 мА
AO8 – с номинальным током ±5 мА
Рабочий диапазон: (согласно заказу):
0-1 мA, максимальная нагрузка 5 kΩ (100% перегрузка)
±1 мA, максимальная нагрузка 5 kΩ (100% перегрузка)
0-20 мA, максимальная нагрузка 510 Ω
4-20 мA, максимальная нагрузка 510 Ω
0-3 мA, максимальная нагрузка 2 kΩ (100% перегрузка)
±3 мA, максимальная нагрузка 2 kΩ (100% перегрузка)
0-5 мA, максимальная нагрузка 2 kΩ (100% перегрузка)
±5 мA, максимальная нагрузка 2 kΩ (100% перегрузка)
Изоляция: 2500 V переменного напряжения, в течение 1 мин.
Источник питания: внутренний
Точность: 0,5 % FS
Время обновления: 1 период
Сечение провода до: 14 AWG (1,5 мм2)


Расширить функции связи можно с помощью дополнительных модулей:


Распиновка пятиконтактного коннектора для подключения Profibus DP:
| Цвет провода | Номер контакта | Сигнал |
| Красный | 1 | 5+V BUS |
| Чёрный | 2 | A-Line (-) RS-485 RxD/TxD |
| Зелёный | 3 | B-Line (+) RS-485 RxD/TxD |
| Белый | 4 | RT5, Request To Send |
| Экран | 5 | GND BUS |
Схематичное изображение переходника 5 пин коннектор на DB9:
Распиновка DB9 коннектора для подключения Profibus DP:
| Цвет провода | Номер контакта DB9 | Сигнал |
| Красный | 6 | 5+V BUS |
| Чёрный | 8 | A-Line (-) RS-485 RxD/TxD |
| Зелёный | 3 | B-Line (+) RS-485 RxD/TxD |
| Белый | 4 | RT5, Request To Send |
| Экран | 5 | GND BUS |
| нет | 1 | Нет соединения |
| нет | 2 | Нет соединения |
| нет | 7 | Нет соединения |
| нет | 9 | Нет соединения |
|
Распиновка подключения RS-232:
| № | DB9 «Male» к прибору | DB9 «Female» к ПК | ||
| № контакта | Функция | № контакта | Функция | |
| 1 | 2 | Tx | 2 | Rx |
| 2 | 3 | Rx | 3 | Tx |
| 3 | 5 | GND | 5 | GND |
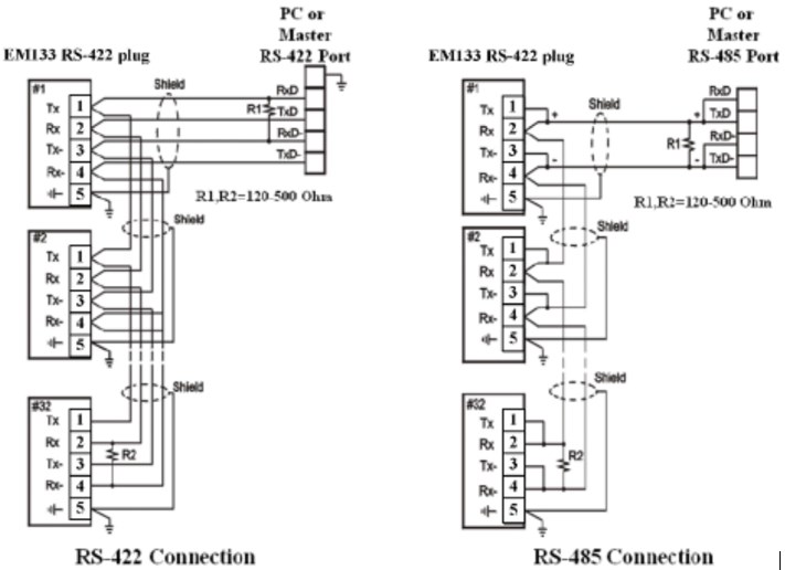
Схема подключения RS-422/485:

GSM/GPRS модем может быть подключён через внутренний порт СОМ2 для обеспечения удалённой связи с MODBUS/TCP сервером через беспроводную сеть GPRS. Голосовые вызовы для устройства не допускаются. Пользователь должен потребовать от провайдера поддержки только передачи данных. Модуль может использовать антенны двух различных типов: внутренняя антенна при установке в пластиковый шкаф или иной неметаллический контейнер; или внешняя антенна для улучшения качества сигнала.